Электронное специальное оборудование
Мы предлагаем качественно новые решения для систем безопасности, видеонаблюдения и промышленной автоматики.
Есть вопросы? Мы с удовольствием на них ответим!
Наши преимущества
Российская разработка
Российская сборка
  • Участник «КраснодарЭКСПО»
  • Участник «SECUREXPO»
  • Обладатель дипломов «ФВТ» "За высокое качество представленной продукции"
  • Высокое качество продукции
  • Открытая техническая поддержка
  • Конкурентноспособные цены
Микрофоны
Двух- и трёхпроводные, с влагозащитой и без
Приемники аудиосигнала
Симметричный вход
Передатчики аудиосигнала
MD-015V Микрофон двухпроводный влагозащищенный
Микрофон предназначен для установки вне помещений, устойчив к прямому попаданию влаги. Внимание: работает с приёмниками DU-01, DU-02, DU-03и аудио коммутатором AC8-2.
  • Чувствительность
    38дБ
  • Отношение сигнал / шум
    более 65 дБ
  • Рабочий диапазон частот
    100 Гц ... 20 КГц
  • Выходное напряжение
    1 В
  • Напряжение питания
    4 ... 16 В
  • Ток потребления
    2 мА
  • Материал корпуса
    Латунь
  • Покрытие
    Хим. оксидирование или никель
  • Диапазон рабочих температур
    -40° С ... +50° С
  • Габаритные размеры
    Ø 8 мм. длина 17 мм
  • Диаметр отверстия для установки
    Ø 6 мм
Заказать
M-01V Микрофон трёхпроводный влагозащищенный
Особенности:
- Очень высокое качество звука
- Миниатюрные размеры
- Очень низкое потребление тока
- Устойчив к прямому попаданию влаги
- Широкий диапазон рабочих температур
  • Чувствительность
    38дБ
  • Отношение сигнал / шум
    более 65 дБ
  • Рабочий диапазон частот
    100 Гц ... 20 КГц
  • Выходное напряжение
    1 В
  • Напряжение питания
    4 ... 16 В
  • Ток потребления
    2 мА
  • Материал корпуса
    Латунь
  • Покрытие
    Хим. оксидирование или никель
  • Диапазон рабочих температур
    -40° С ... +50° С
  • Габаритные размеры
    Ø 8 мм. длина 17 мм
  • Диаметр отверстия для установки
    Ø 6 мм
Заказать
MD-015\2 Микрофон двухпроводный
Микрофон настолько миниатюрен, что его практически не видно на проводе.
  • Чувствительность
    38дБ
  • Отношение сигнал / шум
    более 65 дБ
  • Рабочий диапазон частот
    100 Гц ... 20 КГц
  • Напряжение питания
    5 В
  • Ток потребления
    0.8 мА
  • Материал корпуса
    Латунь
  • Диапазон рабочих температур
    -40° С ... +50° С
  • Габаритные размеры
    Ø 3.5 мм. длина 9 мм
Заказать
M-01 Микрофон трёхпроводный
Микрофон настолько миниатюрен, что его практически не видно на проводе.
  • Чувствительность
    38дБ
  • Отношение сигнал / шум
    более 65 дБ
  • Рабочий диапазон частот
    100 Гц ... 20 КГц
  • Напряжение питания
    4 ... 16 В
  • Выходное напряжение
    1 В
  • Ток потребления
    2 мА
  • Диапазон рабочих температур
    -40° С ... +50° С
  • Габаритные размеры
    Ø 3.5 мм. длина 9 мм
Заказать
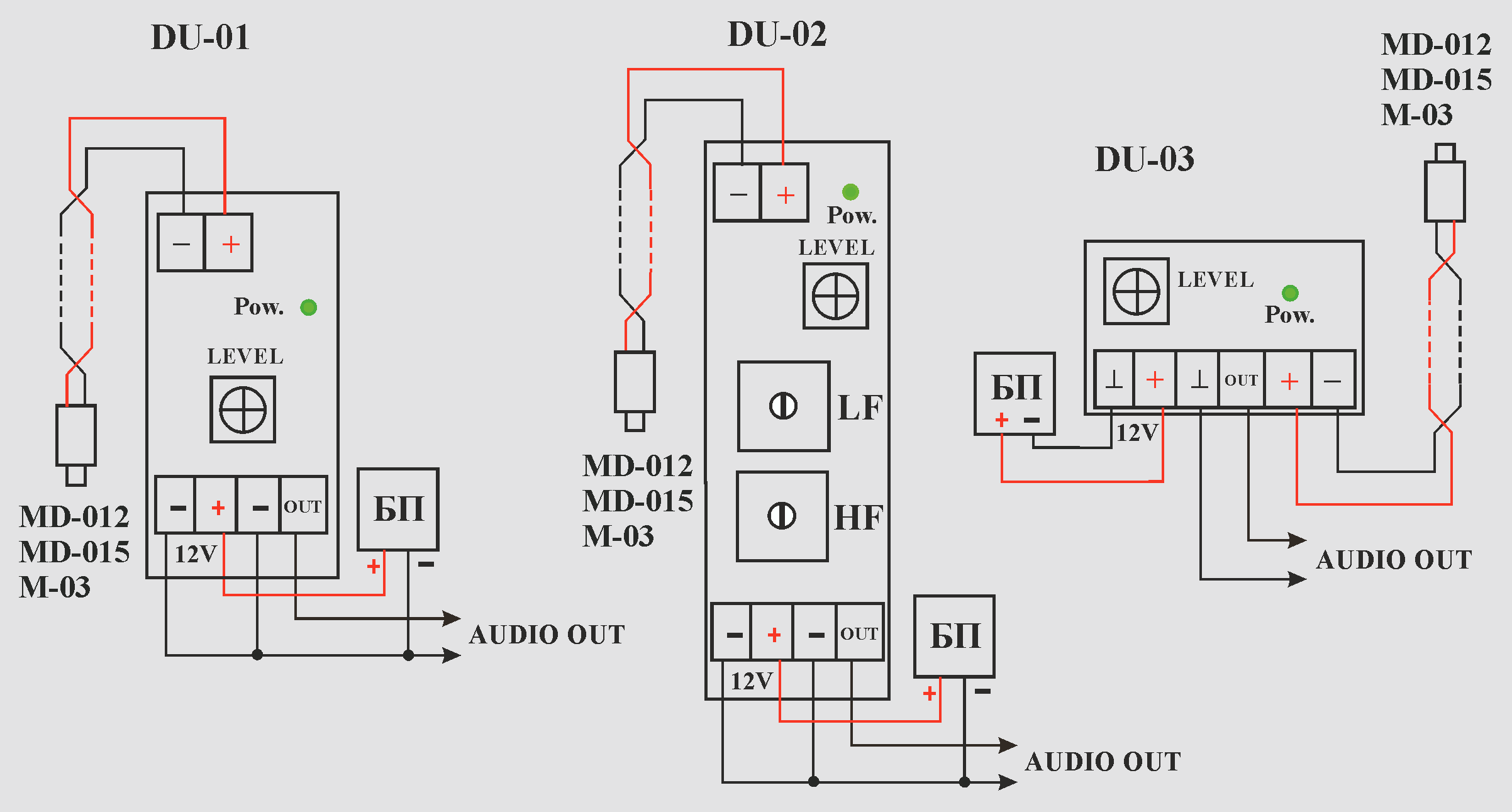
Дифференциальный усилитель DU-01D12
Внимание: работает с микрофонами MD-012 и MD-015
  • Выходное напряжение
    0 - 4,5 В
  • Напряжение питания микрофона
    5 В
  • Рабочий диапазон частот
    20 Гц - 20 КГц
  • Напряжение питания
    7 - 24 В
  • Ток потребления
    4 мА
  • Диапазон рабочих температур
    -20°С...+50°С
  • Габаритные размеры
    26 х 48 х 40 мм
Заказать
DU-02D12 Усилитель с регулировками частот НЧ и ВЧ
Внимание: работает с микрофонами MD-012 и MD-015
  • Выходное напряжение
    0 - 4,5 В
  • Напряжение питания микрофона
    5 В
  • Рабочий диапазон частот
    20 Гц - 20 КГц
  • Регулировка НЧ фильтра
    0,1 - 0,7 кГц
  • Регулировка ВЧ фильтра
    2 - 20 кГц
  • Напряжение питания
    7 - 24 В
  • Ток потребления
    4,5 мА
  • Диапазон рабочих температур
    -20°С...+50°С
  • Габаритные размеры
    23 х 78 х 40 мм
Заказать
Дифференциальный усилитель DU-03D12
Внимание: работает с микрофонами MD-012 и MD-015
  • Выходное напряжение
    0 - 4,5 В
  • Напряжение питания микрофона
    5 В
  • Рабочий диапазон частот
    20 Гц - 20 КГц
  • Напряжение питания
    7 - 24 В
  • Ток потребления
    4 мА
  • Диапазон рабочих температур
    -20°С...+50°С
  • Габаритные размеры
    22 х 17 х 12 мм
Заказать
MD-IP Адаптер для питания микрофонов от POE
Внимание: Адаптер работает с любыми микрофонами MD-012, MD-015 , М-03.
Адаптер работает с любыми типами РОE.
Качество звука и чувствительность зависит от применённого выносного микрофона.
  • Выходное напряжение регулируемое
    0-4,5 В
  • Напряжение питания
    РОЕ IEEE802.3af (at) Метод А или Метод В
  • Ethernet
    10\100\1000 Мбит\с
  • Гальваническая развязка
    1 кВ
  • Ток потребления
    РОЕ - 3mA
  • Диапазон рабочих температур
    -30° С ... +50° С
  • Габаритные размеры
    61,5 х 21 х 17 мм
Заказать
Гальваническая развязка аудиосигнала (пассивный преобразователь несимметричного сигнала в симметричный)
DA-01D
Устройство предназначено для передачи по витой паре стандартного линейного аудио сигнала. Работает с любым приёмником из серии DU, а так же с любым дифференциальным аудио входом. Пассивный, не требует питания. Гальваническая развязка между входом и выходом 2 кВ.
  • Неравномерность АЧХ в полосе 200-4000 Гц
    0,25 dB
  • Номинальное сопротивление
    600 Ом
  • Коэффициент передачи
    1:1
  • Рабочий диапазон температур
    -20°С...+85°С
  • Габаритные размеры
    21 х 48 х 38 мм
Заказать
Заявка оформлена
Мы свяжемся с Вами для уточнения деталей. Хорошего дня!
Ваш заказ
  • image alt
    POWER Full 14
    POWER Full 14
    1000
  • image alt
    POWER Full 14
    POWER Full 14
    2000
3000
Выберите вариант доставки
2
Ваш заказ
  • image alt

    POWER Full 14

    POWER Full 14

    1000
  • image alt

    POWER Full 14

    POWER Full 14

    2000
3000
Выберите вариант доставки

Мы с Вами свяжемся для уточнения деталей.
Оставляя заявку, вы соглашаетесь на обработку персональных данных

2